ZLF自力式平衡閥
ZLF自力式平衡閥是一種利用介質本身的壓力變化來進行自我調控,從而保持流經該被控系統流量不變的閥門,ZLF自立式平衡閥具有流量指示,可在線調節,适用于供熱及空調系統等非腐蝕性介質的流量控制。運行前一次性測試調節,可使系統流量自動恒定在預先設置的設定值。ZLF自力式平衡閥流量調節準确,操作簡單,運作平穩,性能可靠,使用壽命長。
|
産品名稱: |
自力式平衡閥 |
産品型号: |
ZLF |
|
公稱通徑: |
DN15~DN350 |
功能作用: |
平衡流量 |
|
公稱壓力: |
1.6MPa |
連接方式: |
法蘭式、内螺紋 |
|
适用溫度: |
-0ºC~+80ºC |
驅動方式: |
自力式 |
|
閥體材質: |
球墨鑄鐵、鑄鋼、不鏽鋼 |
制造标準: |
國标GB、德國DIN、美國API、ANSI |
|
适用介質: |
水、油、液體等 |
生産廠家: |
上海凱利科閥門有限公司 |
産品說明
ZLF自力式平衡閥是一種利用介質本身的壓力變化來進行自我調控,從而保持流經該被控系統流量不變的閥門,ZLF自立式平衡閥具有流量指示,可在線調節,适用于供熱及空調系統等非腐蝕性介質的流量控制。運行前一次性測試調節,可使系統流量自動恒定在預先設置的設定值。ZLF自力式平衡閥流量調節準确,操作簡單,運作平穩,性能可靠,使用壽命長。
産品特點
1、可按設計要求或實際要求設定流量,自動消除系統的壓差波動,保持流量不變。
2、克服系統冷熱不均現象,提高供冷水(熱水)的質量。
3、徹底解決近端壓差大,遠差壓差的矛盾。
4、減少系統循環水量,減低系統阻力。
5、減少設計工作量,不需對管道進行繁瑣的水力平衡計算,管網設計簡單,維修方便,節約造價。
6、采用先進的技術膜片,理論誤差爲零,且可承受0.8的壓差,整圈流量顯示均爲測試值。
零部件材料
|
零件名稱 |
材料 |
|
閥體、閥蓋 |
灰鑄鐵、球鐵、鑄鋼、不鏽鋼 |
|
閥杆 |
不鏽鋼 |
|
閥瓣 |
鑄銅 |
|
膜片 |
丁腈橡膠 |
性能規範
|
型号 |
ZLF-16 |
|
公稱壓力 |
1.6 MPa |
|
殼體試驗壓力 |
2.4MPa |
|
使用介質 |
水、油等非腐蝕性液體 |
|
介質溫度 |
0-80℃ |
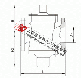
外形結構圖
主要外形尺寸
|
産品型号 |
公稱通徑 (mm) |
L |
H1 |
H2 |
流量控制範圍 m3/h |
|
ZLF-16 |
15 |
110 |
122 |
70 |
0.1~1 |
|
ZLF-16 |
20 |
110 |
122 |
70 |
0.1~1.5 |
|
ZLF-16 |
25 |
115 |
137 |
74 |
0.2~2 |
|
ZLF-16 |
32 |
160 |
182 |
91 |
0.5~4 |
|
ZLF-16 |
40 |
200 |
191 |
147 |
1~6 |
|
ZLF-16 |
50 |
215 |
197 |
147 |
2~10 |
|
ZLF-16 |
65 |
230 |
205 |
154 |
3~15 |
|
ZLF-16 |
80 |
275 |
259 |
181 |
5~25 |
|
ZLF-16 |
100 |
290 |
268 |
211 |
10~35 |
|
ZLF-16 |
125 |
315 |
334 |
227 |
15~50 |
|
ZLF-16 |
150 |
350 |
357 |
260 |
30~80 |
|
ZLF-16 |
200 |
430 |
407 |
303 |
40~180 |
|
ZLF-16 |
250 |
520 |
452 |
367 |
100~300 |
|
ZLF-16 |
300 |
635 |
486 |
430 |
150~500 |
|
ZLF-16 |
350 |
670 |
555 |
495 |
200~700 |
安裝示意圖
聲明:【ZLF自力式平衡閥】規格型号、結構尺寸由上海凱利科閥門有限公司提供,如何選擇适用的ZLF自力式平衡閥産品,使之在工藝控制中安全可靠、經濟适用,可緻電我司銷售部門及技術部門,我們将在最短的時間内爲您解答! |