D641F46氣動法蘭襯氟蝶閥
D641F46氣動法蘭襯氟蝶閥廣泛用于防腐管道系統上。主要用以實現閥門的開啓、關閉與調節。全襯聚四氟乙烯(F4)、聚三氟氯乙烯(F3)和聚全氟乙丙烯(F46)氟塑料襯裏閥,具有耐腐蝕、無洩漏、壽命長等優點。 适用于濃硫酸、鹽酸、硝酸、氫氟酸、王水、各種有機酸、強酸、氧化性介質或高溫烯硫酸、高溫濃醋酸、酸堿交替及多種有機溶劑和其它強腐蝕性介質。
|
産品名稱: |
氣動法蘭襯氟蝶閥 |
産品型号: |
D641F46 |
|
公稱通徑: |
DN40~DN1200 |
閥座密封: |
F4、F46 |
|
公稱壓力: |
1.0Mpa~1.6MPa |
連接方式: |
對夾式、法蘭式 |
|
适用溫度: |
-25ºC~+150ºC |
驅動方式: |
手動、蝸輪、電動、氣動 |
|
閥體材質: |
鑄鐵、鑄鋼、不鏽鋼 |
制造标準: |
國标GB、德國DIN、美國API、ANSI |
|
适用介質: |
強酸、堿、硫酸、王水腐蝕性液體 |
生産廠家: |
上海凱利科閥門有限公司 |
産品說明
D641F46氣動法蘭襯氟蝶閥廣泛用于防腐管道系統上。主要用以實現閥門的開啓、關閉與調節。全襯聚四氟乙烯(F4)、聚三氟氯乙烯(F3)和聚全氟乙丙烯(F46)氟塑料襯裏閥,具有耐腐蝕、無洩漏、壽命長等優點。 适用于濃硫酸、鹽酸、硝酸、氫氟酸、王水、各種有機酸、強酸、氧化性介質或高溫烯硫酸、高溫濃醋酸、酸堿交替及多種有機溶劑和其它強腐蝕性介質。
産品特點
1、中線蝶閥爲整個蝶闆與閥座在360°圓周内同心(中線),具有雙向密封功能,壓力,流量可自由調節;
2、四級加載彈性密封,絕對保證了閥門内、外的零洩漏;
a、軸頭、蝶闆園周連接處的特殊過渡曲線與閥座的合理過盈;
b、軸頭端面采用彈性O型圈和軸肩處剛性墊圈、彈性橡膠墊組合;
c、軸的徑向采用O型圈與金屬墊的組合;
d、閥座鑲在有彈性條的閥體的槽内;
3、采用可調彈性彈子定位。定位準确,結構簡單。
應用标準
|
設計标準 |
GB12238 |
|
結構長度 |
GB12221 |
|
法蘭标準 |
JB/T79-94 |
|
GB9113.1-26 |
|
檢驗試驗 |
GB/T13927 |
|
驅動方式 |
蝸輪、手動、電動、氣動 |
性能規範
|
零件名稱 |
材料 |
|
上下閥體 |
鑄鐵、鑄鋼、不鏽鋼、襯F46、F4 |
|
閥座 |
鑄鋼 |
|
帶杆蝶闆 |
鑄鋼、不鏽鋼、襯F46、F4 |
|
填料 |
F4 |
|
襯墊 |
矽橡膠 |
|
蝸輪手柄 |
球墨鑄鐵 |
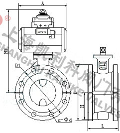
外形結構圖
主要外形尺寸
|
公稱通經(DN) |
主要尺寸 |
法蘭尺寸 |
|
L |
L1 |
H |
H1 |
A |
1.0MPa |
1.6MPa |
|
D |
D1 |
n-Фd |
D |
D1 |
n-Фd |
|
50 |
108 |
43 |
63 |
315 |
180 |
165 |
125 |
4-18 |
165 |
125 |
4-18 |
|
65 |
112 |
46 |
70 |
330 |
180 |
185 |
145 |
4-18 |
185 |
145 |
4-18 |
|
80 |
114 |
46 |
83 |
390 |
245 |
200 |
160 |
4-18 |
200 |
160 |
8-18 |
|
100 |
127 |
52 |
105 |
431 |
240 |
220 |
180 |
8-18 |
220 |
180 |
8-18 |
|
125 |
140 |
56 |
115 |
455 |
240 |
250 |
210 |
8-18 |
250 |
210 |
8-18 |
|
150 |
140 |
56 |
137 |
626 |
350 |
285 |
240 |
8-22 |
285 |
240 |
8-22 |
|
200 |
152 |
60 |
164 |
720 |
350 |
340 |
295 |
8-22 |
340 |
295 |
12-22 |
|
250 |
165 |
68 |
206 |
800 |
550 |
395 |
350 |
12-22 |
405 |
355 |
12-26 |
|
300 |
178 |
78 |
230 |
860 |
600 |
445 |
400 |
12-22 |
460 |
410 |
12-26 |
|
350 |
190 |
78 |
248 |
883 |
600 |
505 |
460 |
16-22 |
520 |
470 |
12-26 |
|
400 |
216 |
102 |
289 |
972 |
600 |
565 |
515 |
16-26 |
580 |
525 |
16-26 |
|
450 |
222 |
114 |
320 |
1043 |
750 |
615 |
565 |
20-26 |
640 |
585 |
16-30 |
|
500 |
229 |
127 |
342 |
1098 |
750 |
670 |
620 |
20-26 |
715 |
650 |
20-30 |
|
600 |
267 |
154 |
413 |
1236 |
750 |
780 |
725 |
20-30 |
840 |
770 |
20-33 |
|
700 |
430 |
165 |
478 |
1431 |
750 |
895 |
840 |
24-30 |
910 |
840 |
24-36 |
|
800 |
470 |
190 |
525 |
1488 |
750 |
1015 |
950 |
24-33 |
1025 |
950 |
24-39 |
|
900 |
510 |
203 |
585 |
1615 |
1250 |
1115 |
1050 |
28-33 |
1125 |
1050 |
28-39 |
|
1000 |
550 |
216 |
640 |
1765 |
1500 |
1230 |
1160 |
28-36 |
1255 |
1170 |
28-42 |
|
1200 |
630 |
254 |
755 |
1976 |
1500 |
1455 |
1380 |
32-39 |
1485 |
1390 |
32-48 |
聲明:【D641F46氣動法蘭襯氟蝶閥】規格型号、結構尺寸由上海凱利科閥門有限公司提供,如何選擇适用的D641F46氣動法蘭襯氟蝶閥産品,使之在工藝控制中安全可靠、經濟适用,可緻電我司銷售部門及技術部門,我們将在最短的時間内爲您解答! |